
聯系我們
INA LFKL52-SF

- 型號:
- LFKL52-SF
- 品牌:
- INA
- 系列:
- LFKL..-SF
- 起訂量:
- ≥ 1套
- 物流:
- 全國配送

- 電話:

恩梯必專業銷售INA LFKL52-SF,能為客戶提供各種技術服務,軸承選型及型號替代等解決方案,需要LFKL52-SF最新規格、圖紙、報價等資料可聯系我司銷售部!
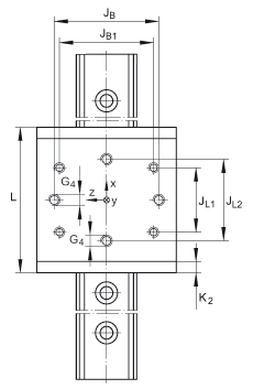
- 尺寸
- H1
- 46.1
- mm
- B
- 130
- mm
- L
- 136
- mm
- G4
- M10
- H
- 滑塊和導軌的總高度: H = 54,3 mm 對 LFS,-C,-CE,-CEE,-E,-EE,-N,-NZZ H = 38,2 mm 對 LFS..-F,-FE H = 118,9 mm 對 LFS..-M 導軌 LFS..-M 只能和帶可調游隙的滑塊一起使用。 如果要使用 SF 和 LFKL滑塊,請先和我們聯系
- H2
- 29.2
- mm
- 公差: +0,3
- H3
- 19.4
- mm
- JB
- 90
- mm
- 公差: +/-0,2
- JB1
- 83
- mm
- JL1
- 60
- mm
- JL2
- 70
- mm
- 公差: +/-0,2
- K2
- 10
- mm
- 重量
- mW
- 1500
- g
- 滑塊的質量
- 鎖緊力矩
- MA
- 40
- Nm
- 適用于標準設計。 對滾輪的螺栓,向心螺栓的鎖緊力矩應達到 MA。
- MA
- 23
- Nm
- 可采用耐腐蝕設計
- 說明
- 基本額定載荷不適用于
- 基本額定載荷
- Cy
- 10000
- N
- y 方向的基本額定動載荷
- C0y
- 5200
- N
- y 方向的基本額定靜載荷
- Cz
- 16800
- N
- z 方向的基本額定動載荷
- C0z
- 10000
- N
- z 方向的基本額定靜載荷
- 額定動扭矩
- Mx
- 210
- Nm
- 繞 X 軸的額定動扭矩
- 額定靜扭矩
- M0x
- 110
- Nm
- 繞 X 軸的額定靜扭矩
- 額定動扭矩
- My
- 505
- Nm
- 繞 Y 軸的額定動扭矩
- 額定靜扭矩
- M0y
- 290
- Nm
- 繞 Y 軸的額定靜扭矩
- 額定動扭矩
- Mz
- 300
- Nm
- 繞 Z 軸的額定動扭矩
- 額定靜扭矩
- M0z
- 150
- Nm
- 繞 Z 軸的額定靜扭矩
- 說明
- 訂貨型號: - 耐腐蝕設計: 滑塊:LFCL..-RB 導軌:LFS..-RB 滾輪:LFR..-2RSR-RB - 不帶孔的導軌: LFS..-OL
- LFR5201-10-2Z
- 使用的滾輪 軸的直徑:10 mm 對于替換零件的訂貨,請和我們聯系。
- LFS52
- 基于此導軌的基本額定載荷和額定扭矩的計算
相關型號推薦:
23960-B-K-MB+AH3960G
23964-K-MB+AH3964G
23972-K-MB+AH3972G
23976-K-MB+AH3976G
23980-B-K-MB+AH3980G
23984-K-MB+AH3984G
23988-K-MB+AH3988
23992-B-K-MB+AH3992
23996-B-K-MB+AH3996
239/500-K-MB+AH39/500
239/530-K-MB+AH39/530
239/560-B-K-MB+AH39/560
239/600-B-K-MB+AH39/600
239/630-B-K-MB+AH39/630
239/670-B-K-MB+AH39/670
熱門型號排行榜: FAG NJ424M FAG B7226E FAG B7228E FAG B7224E FAG B7220E FAG B7222E FAG B7218E FAG B7217E FAG B7216E FAG B7215E FAG B7214E FAG B7213E
熱門型號排行榜: FAG NJ424M FAG B7226E FAG B7228E FAG B7224E FAG B7220E FAG B7222E FAG B7218E FAG B7217E FAG B7216E FAG B7215E FAG B7214E FAG B7213E
FAG軸承型號搜索
FAG-INA軸承產品中心
產品中心
產品搜索
類別目錄
四川恩梯必有限公司 版權所有






